Ejemplos de trabajos realizados
(Ningún proyecto mostrado contiene datos sensibles)
01
Optimización conjunto diferencial
Ingeniería inversa · CAD 3D · Ensamblaje
Objetivo: Mejorar fiabilidad, aligerar y definir tolerancias funcionales para fabricación directa.
Entregables:
• Modelo CAD 3D del conjunto y verificación de montaje
• Plano 2D de fabricación con GD&T avanzada
• Fabricación final del conjunto

02
Cárteres moto 2T
INGENIERÍA INVERSA · SUPERFICIES · CAD 3D
Objetivo: Reconstrucción de geometrías complejas y definición de superficies funcionales críticas.
Entregables:
• CAD 3D (STEP/IGES)
• Plano 2D con GD&T avanzada


03
Rediseño volante motor
rediseño · cad 3d · especificación dentado
Objetivo: Reducir masa manteniendo funcionalidad, con documentación completa para fabricar y montar.
Entregables:
• CAD 3D (STEP/IGES)
• Planos 2D con GD&T y especificación de dentado
• Plano 2D con montaje completamente definido

04
Soporte en housing diferencial
DISEÑO CAD · ITERACIÓN RÁPIDA · PROTOTIPADO
Objetivo: Diseñar un componente desde cero y validar el ajuste antes de fabricar.
Entregables:
• CAD 3D (STEP/IGES)
• Prototipo 3D para validación de montaje
• Plano 2D básico para cotización y fabricación

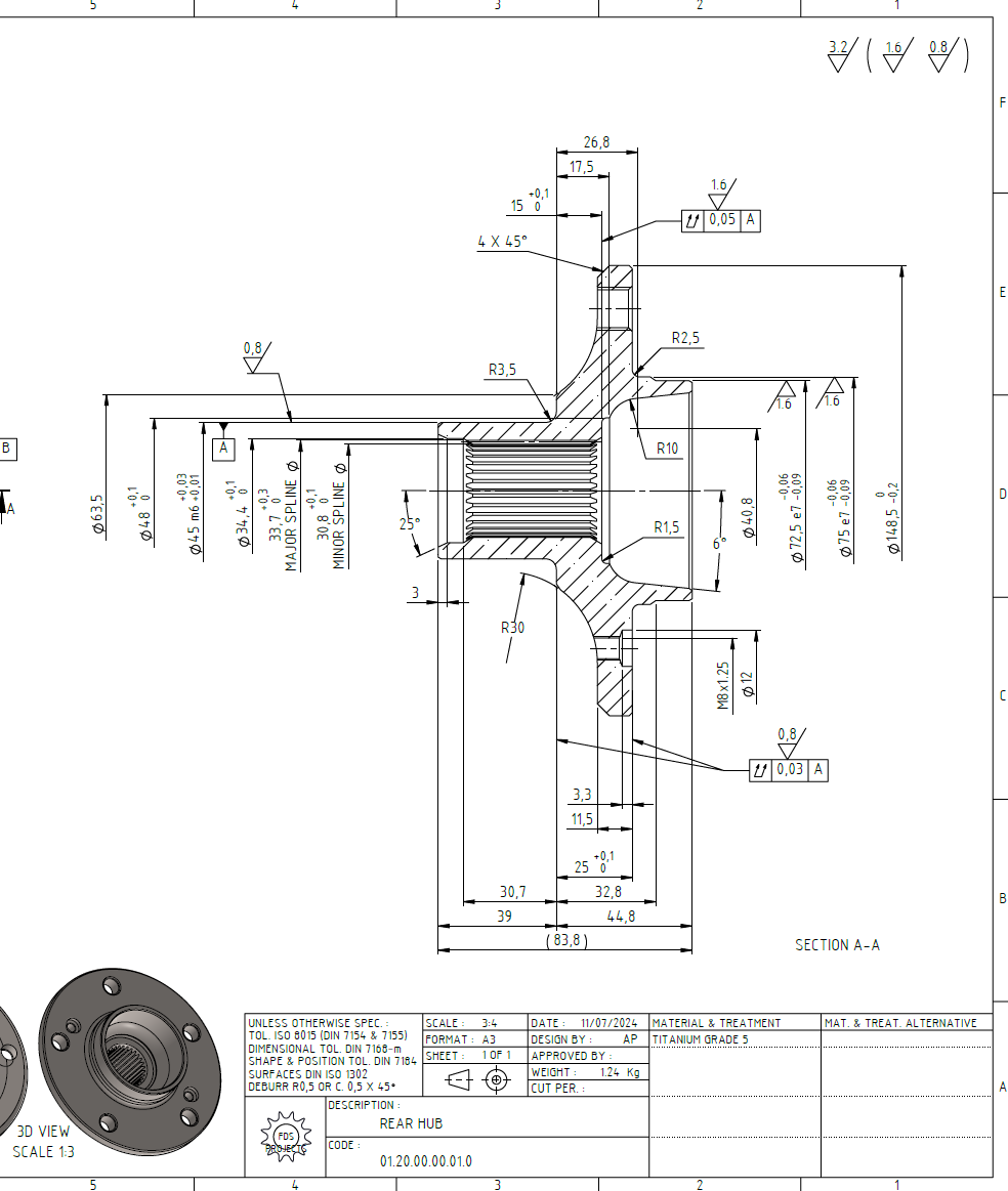
05
Buje de rueda
INGENIERÍA INVERSA · CAD 3D · PLANO 2D · ESTRIADO
Objetivo: Reconstruir el buje y el estriado para fabricación directa, asegurando coaxialidad y tolerancias funcionales en asientos y centrados.
Entregables:
• CAD 3D (STEP/IGES)
• Plano 2D completo con definición de estriado


06
Otros proyectos
LINGENIERÍA INVERSA · MEJORAS · RESPUESTA RÁPIDA
Objetivo: Resolver piezas sin recambio o modificaciones puntuales con entrega rápida.
Entregables:
• CAD 3D (STEP/IGES)
• Prototipado 3D para validación
• Plano 2D




Contacta con nosotros para valorar tu caso
En el apartado de Servicios encontrarás la información que necesitamos para ofrecerte una valoración lo más precisa posible.
